1、应用场景
近几年,随着我国城市的快速发展,城市的规模不断加大,城市公共交通的重要性日渐凸显,以北上广为代表的一线城市均在快熟发展轨道交通,城轨与地铁的建设此起彼伏。二三线城市随着城镇化的不断推进和城乡人口快速聚集,公共交通也面临巨大压力,他们即对修建城市轨道交通跃跃欲试,又考虑到建设和运营的巨大成本心有余而力不足。智能轨道快运列车既具有地铁的颜值又不缺乏汽车的灵活,它具有载客量大、投资运行成本低、绿色环保等优点,将成为是三四线城市的最佳选择。
该项技术主要应用于智能轨道交通系统中,用于控制列车行驶时的转向、平稳性和控制性能,以保证列车的安全性和运行效率。该技术可以实现快速、准确的转向控制,提高列车的控制性能,同时减少能耗和噪音污染。该技术主要解决的是列车行驶时的转向和平稳性问题。在高速行驶、急刹车、弯道行驶等情况下,列车的转向和平稳性会受到影响,容易导致列车失控和事故发生。而采用液压/电动转向系统技术,可以实现快速、准确的转向控制和平稳性控制,大大提高列车的安全性。该技术的实际应用中存在一些困难,例如系统的可靠性、复杂性、维护难度等问题。另外,不同载重量和车速的列车需要针对不同的参数进行优化和调整,以保证转向和控制性能的稳定和准确性。此外,液压/电动转向系统技术的应用需要涉及液压、机械、电子等多个领域的知识,需要各个学科的专业人才协作,提高技术的综合性和复杂度。
2、技术优势
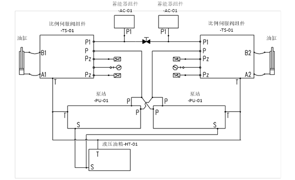
车辆由三编组组成,整列车辆三套导向执行单元组成。无轨导向系统的内部关联关系如图1所示。

图1、单节车厢的无轨导向系统原理图
泵站PU-01启动,控制泵站内部充压开关阀切换至充压位,泵站将液压油箱内的油充入蓄能器组件AC-01,;当无轨导向执行系统压力高于高压设定值,充压开关阀切换至卸荷位,控制系统关闭泵站PU-01中的电机。

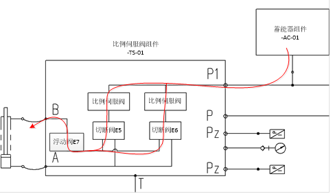
图2转向执行功能
控制比例伺服阀方向及开口大小,蓄能器组件内部的高压油输送至油缸的一端,使油缸产生位移变化驱动车桥达到无轨导向目的(E5和E6同时打开)。

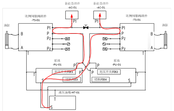
图3 泵站切换功能
在每节车厢中有两个无轨导向执行系统,两个泵站各自为自身的无轨导向执行系统提供高压油。如图3,当右边泵站出现故障,通过切换阀,可以使左边的泵站将油箱内的油充入右边蓄能器组件,同时实现两个无轨导向执行系统充压功能;同理右边的泵站可以给左边系统充压。

图4比例伺服阀切换功能
在每套独立无轨导向执行系统中,比例伺服阀互为冗余,同一时间两个比例伺服阀同步实时控制油缸位移动作,当其中一个比例伺服阀出现故障,通过切断阀关闭故障比例伺服阀,系统中剩余一个比例伺服阀继续执行命令,控制油缸位移动作。(在比例阀切换期间,E5和E6会动作)

图5蓄能器组件切换功能
同一节车厢包含两个蓄能器组件,当其中一个蓄能器组件出现故障时,通过切换手动球阀,另一个蓄能器组件可同时为两个执行系统提供高压油。(株洲市场车辆该手动球阀为打开连通状态)
3、解决的关键问题
以上技术成果均由燕山大学姜万录教授带领科研团队独立主持完成,从技术方案、到设备制造、到整线投产,投入了巨大心血,承担的具体工作如下:
转向系统设计。在智能轨道快运列车转向系统的设计过程中,考虑了列车行驶的动力学特性和转向控制需求,通过分析列车的运行条件和要求,结合液压和电动转向技术,设计了适用于快速、准确转向的转向系统。在设计过程中,团队考虑了转向系统的结构、工作原理、控制算法等重要因素,以确保系统的高效性和可靠性。
结构强度分析。为了确保转向系统的稳定性和安全性,团队进行了结构强度分析。建立了转向系统的三维模型,并应用有限元分析方法对系统的各个部件进行了强度和刚度的计算和优化。通过分析,能够准确评估转向系统在各种工况下的受力情况。
转向系统试验台架设计与测试。为验证转向系统的性能,团队设计了转向系统试验台架,并进行了相关测试。试验台架,可以模拟列车的运行情况,对转向系统的各个部件进行性能测试和优化。通过试验台架的设计和测试,团队能够对转向系统的各项指标进行评估,如系统响应频率、转向角度的准确性等。
整车联调。在转向系统设计和测试完成后,团队还参与整车联调工作。将设计好的转向系统与整车其他部件进行连接和调试,确保各个系统之间的协调和稳定运行。通过整车联调,团队能够评估和优化整车的性能,以确保轨道快运列车的安全性、平稳性和控制性能的要求得到满足。